今天是: 欢迎你来访bet365日博亚洲
加入收藏
|
网站首页
政务之窗
网站首页
主要职责
领导班子
机构设置
运输业务
运输安全
法制法规
精神文明
政务公开
服务园地
运输许可
维修许可
驾培许可
资料下载
我与交通
网站信箱
投诉建议
征求意见
您现在的位置:
首页
>
政务公开
>
通知公告
>> 正文
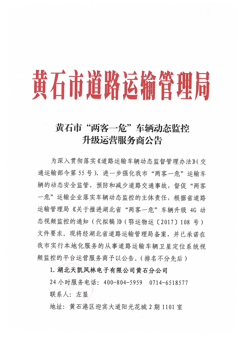
黄石市“两客一危”车辆动态监控升级运营商公告
发布时间:2017-08-30
来源:
字号:【
大
中
小
】
打印
收藏
黄石市“两客一危”车辆动态监控升级运营服务商公告(正式文)下载
黄石市“两客一危”车辆动态监控升级运营服务商公告
.rar
(2.43 MB)
返回顶部
关闭本页
上一篇:
关于促进小微型客车租赁健康发展的指导意见
下一篇:
黄石市“两客一危”动态监控运营服务商承诺函及车载设备过检证明
黄石市道路运输运输局 版权所有 2012
鄂ICP备12005816号
www.leader2006.com
地址:黄石市黄石大道1371号 邮政编码:435002
电话:0714-6512167 邮箱:hsygj@foxmail.com